| | |
 | Gut zu wissen: Hilfreiche Tipps und Tricks aus der Praxis prägnant, und auf den Punkt gebracht für PTC CREO |
| | |
 | BOM Assistant für Stücklistenerstellung , eine App
|
|
Autor
|
Thema: Mal wieder Rotationsmuster-Alarm! (1592 mal gelesen)
|
konstroktoer Mitglied Student
 Beiträge: 2 Registriert: 06.05.2004
|
erstellt am: 06. Mai. 2004 11:54 <-- editieren / zitieren --> Unities abgeben:         
Hallo, Ich bekomme meine Schaufeln(siehe Anhang) nicht vernünftig rotatorisch angeordnet. Über 180° "klappen" sie um. Leider konnten mir die bereits zu diesem Thema verfassten Beiträge nicht helfen, da ich sie schlichtweg nicht verstanden habe(wildfire-neuling und forum-neuling). Es wäre nett, wenn mir einer helfen könnte. Sitze nun schon 2 Wochen an diesem verxx?@Ex!? Rotationsmuster ! Vielen Dank, konstroektoer
Eine Antwort auf diesen Beitrag verfassen (mit Zitat/Zitat des Beitrags) IP |
kalle_ok Mitglied
   
 Beiträge: 1164 Registriert: 01.03.2002 WF2: M250
|
erstellt am: 06. Mai. 2004 12:33 <-- editieren / zitieren --> Unities abgeben:          Nur für konstroktoer
Schade, ist eine EDUcation, vermutlich beim Platzieren der Komponenten "unglücklich" referenziert. Pro/E geht bei Kreibahnreferenzierungen über zwei Halbkreise, d.h. im ersten Halbkreis ist alles i.O., im zweiten ... naja, passiert das, was Du siehst. Vielleicht kann ein Anderer Dir mit einem umgebauten Modell weiterhelfen! Kalle_ok
------------------ Eine Antwort auf diesen Beitrag verfassen (mit Zitat/Zitat des Beitrags) IP |
der_mechaniker Mitglied Maschinenbauingenieur
 
 Beiträge: 264 Registriert: 09.04.2002 WF3 M160, Intralink 3.4 und ausreichend Rechenleistung
|
erstellt am: 06. Mai. 2004 12:56 <-- editieren / zitieren --> Unities abgeben:          Nur für konstroktoer
Ich habe mir dein Teil jetzt nicht angeschaut, aber wenns ein Problem beim rotatorisch mustern bei der Wildfire gibt, dann kann ich Dich gut verstehen... Ich hatte das auch mal: http://ww3.cad.de/foren/ubb/Forum12/HTML/004468.shtml da ist der vorletzte Beitrag von mir wo ich bis ins letzte Detail genau geschreiben habe wie Du vorgehen musst. Es ist absolut dieselbe Vorgehensweise ob es sich um Material oder einen Matschnitt handelt. Wichtig ist, dass du "im richtigen Moment" die Hilfsebene erzeugst, über welche die Rotation laufen soll... HTH, if not, i'll be there phil ------------------ Eine Antwort auf diesen Beitrag verfassen (mit Zitat/Zitat des Beitrags) IP |
der_mechaniker Mitglied Maschinenbauingenieur
 
 Beiträge: 264 Registriert: 09.04.2002 WF3 M160, Intralink 3.4 und ausreichend Rechenleistung
|
erstellt am: 06. Mai. 2004 12:59 <-- editieren / zitieren --> Unities abgeben:          Nur für konstroktoer
|
der_mechaniker Mitglied Maschinenbauingenieur
 
 Beiträge: 264 Registriert: 09.04.2002 WF3 M160, Intralink 3.4 und ausreichend Rechenleistung
|
erstellt am: 06. Mai. 2004 13:18 <-- editieren / zitieren --> Unities abgeben:          Nur für konstroktoer
|
anagl Ehrenmitglied V.I.P. h.c.
     
 Beiträge: 4566 Registriert: 28.05.2001 CREO2 M140 PDMLink 10.2 M020 HW diverse Das Schreiben bei CAD.de ist freiwillig und kein Muss !!!!!
|
erstellt am: 06. Mai. 2004 13:19 <-- editieren / zitieren --> Unities abgeben:          Nur für konstroktoer
Ich habe auch keine EDU, aber ich würde das anders anpacken Rotations-Muster eines Baugruppen-Koordinatensystems und darauf dann die Schaufel-Baugruppe einbauen siehe vor allem http://ww3.cad.de/foren/ubb/Forum12/HTML/005192.shtml Darüberhinaus bietet WF auch die Möglichkeit ein koordinaten-System via zylindrischen Versatz und Orientierung zu definieren Beim Mustern müssen diese beiden Rotationswerte benutzt werden Viel Erfolg ------------------ Servus Alois Eine Antwort auf diesen Beitrag verfassen (mit Zitat/Zitat des Beitrags) IP |
der_mechaniker Mitglied Maschinenbauingenieur
 
 Beiträge: 264 Registriert: 09.04.2002 WF3 M160, Intralink 3.4 und ausreichend Rechenleistung
|
erstellt am: 06. Mai. 2004 13:57 <-- editieren / zitieren --> Unities abgeben:          Nur für konstroktoer
Hallo Alois! Ich habs grade eben versucht über deine Möglichkeit zu probieren! BTW eine mega-elegante Methode!!! Allerdings habe ich es nicht fertig gebracht, dass sich die Korrdinatensysteme relativ zum Muster mitdrehen. bei dem Teil geht es darum, Schaufeln auf ein Schaufelrad zu bauen. Dabei sollen alle Schaufelräder mit dem gleichen Winkel zur Mitte des Schaufelrades orientiert sein (dachte ich mir grade so, ich hoffe es ist auch so ). Das zu erreichen dachte ich mit dem Korrdinatensystem wie es von Dir vorgeschlagen wurde. Jedoch verdreht sich das Korrdinatensystem nicht beim Mustern mit (eben zur Mitte des Schaufelrades), sondern die Achsen des KOODS zeigen alle in die gleiche Richtung. Ich hoffe meie Problembeschreibung ist irgendwie verständlich.... Ab in die Vorlesung phil ------------------
[Diese Nachricht wurde von der_mechaniker am 06. Mai. 2004 editiert.] Eine Antwort auf diesen Beitrag verfassen (mit Zitat/Zitat des Beitrags) IP |
kalle_ok Mitglied
   
 Beiträge: 1164 Registriert: 01.03.2002 WF2: M250
|
erstellt am: 06. Mai. 2004 14:30 <-- editieren / zitieren --> Unities abgeben:          Nur für konstroktoer
... ich hab da noch einen...: In der schaufelgeometrie einen Achspunkt erzeugen mittels Teilkreis und skizzierter Mittelachse. Über die Winkellage der Mittelachse lässt sich der Verdrehwinkel (Anstellung) der Schaufeln verändern. Die Ausrichtung erfolgt dann mittels Achse-Achse (Achspunkt_Schaufel - Rotationsachse_Teller) ; Achse-Achse (erste Bohrungsachse_Teller - Achse_Schaufelstift) ; Gegen-Gegen (Tellerebene-Schaufelebene) ... Bitte nicht hauen... - Der Haken ist, dass die Teilkreise, Teller und Achspunkt_Schaufel, immer gleich groß sein müssen. Da helfen Beziehungen, EXECUTE-Anweisungen ... Ist ja schließlich Pro/E - Alles ist möglich  Kalle_ok ------------------ Eine Antwort auf diesen Beitrag verfassen (mit Zitat/Zitat des Beitrags) IP |
konstroktoer Mitglied Student
 Beiträge: 2 Registriert: 06.05.2004
|
erstellt am: 06. Mai. 2004 14:51 <-- editieren / zitieren --> Unities abgeben:         
Hallo liebe proespezis, vielen Dank für Eure guten und schnellen Ratschläge. Ganz besonders dir, kalle_ok. Die nicht ganz saubere Lösung erschien mir doch als die beste! Klappt super, danke nochmal!!!! Eine Antwort auf diesen Beitrag verfassen (mit Zitat/Zitat des Beitrags) IP |
anagl Ehrenmitglied V.I.P. h.c.
     
 Beiträge: 4566 Registriert: 28.05.2001 CREO2 M140 PDMLink 10.2 M020 HW diverse Das Schreiben bei CAD.de ist freiwillig und kein Muss !!!!!
|
erstellt am: 07. Mai. 2004 08:24 <-- editieren / zitieren --> Unities abgeben:          Nur für konstroktoer
Zitat: Original erstellt von der_mechaniker: BTW eine mega-elegante Methode!!! Allerdings habe ich es nicht fertig gebracht, dass sich die Korrdinatensysteme relativ zum Muster mitdrehen.
@phil BTW  Danke für das Lob Das Problem ist, dass man dort zweimal den Drehwinkel eingeben muss 1. Drehwinkel Theta Drehung des Koordinatensystems 2. (Reiter Orientierung wählen) und dort den Drehwinkel um die Z-Achse Bei einer zentrischen Orientierung müssen beide Winkel gleich sein; das lässt sich sicher mit Beziehungen festzurren Beim Mustern müssen beide Werte gemustert werden (für den Standardfall beide Werte gleich) Weiterhin Frohes Schaffen ------------------ Servus Alois Eine Antwort auf diesen Beitrag verfassen (mit Zitat/Zitat des Beitrags) IP |
ehlers Mitglied Ingenieur
   
 Beiträge: 1432 Registriert: 05.11.2001 Pro/E 14-2001 WF1-5
|
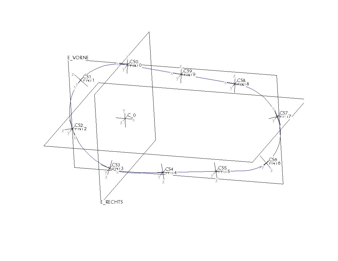
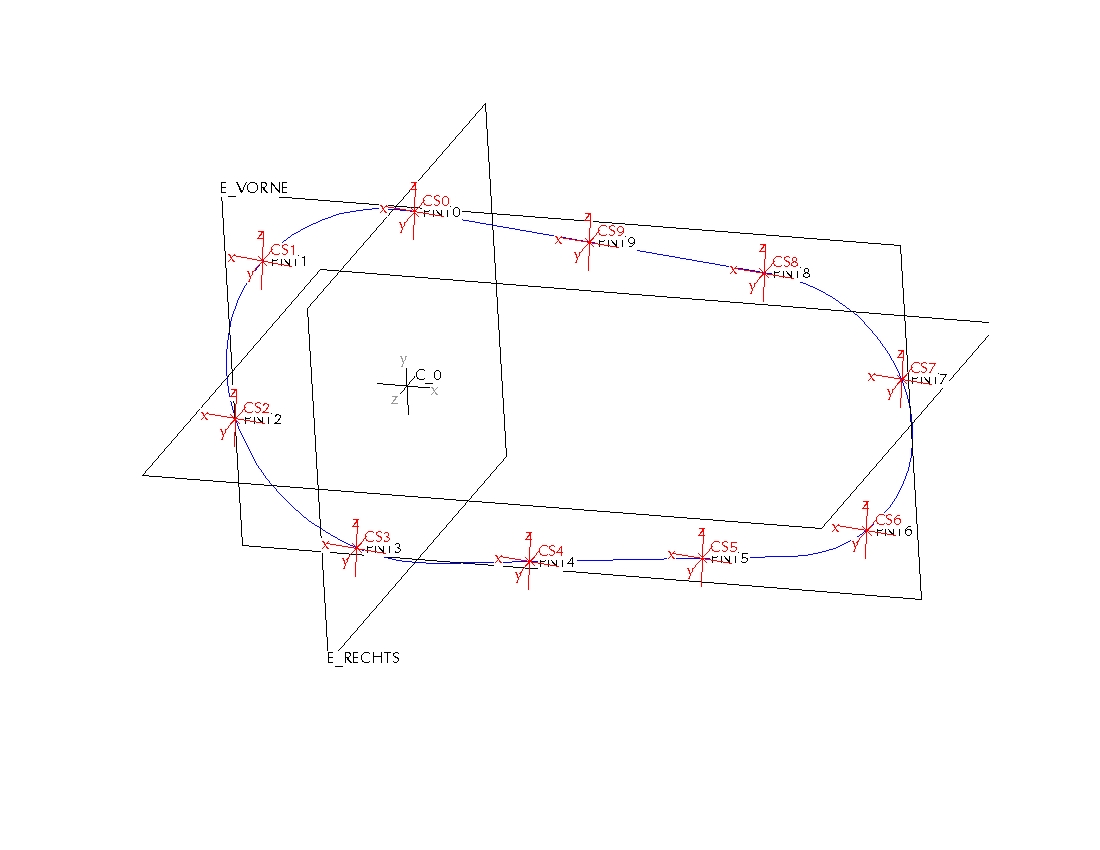
erstellt am: 07. Mai. 2004 09:42 <-- editieren / zitieren --> Unities abgeben:          Nur für konstroktoer
Hallo zusammen, An dieser Stelle wollte ich auch mal auf die Unterschiede des normalen Musterns und nachmustern mit Referenz bzw. auf das Gruppenmuster hinweisen. Vieleicht bekommt der eine oder andere einen Denkanstoß. Man beachte die Orientierung des Koordinatensystems in beiden Bildern, einmal normales Muster, einmal Gruppenmuster. ------------------ Des Übels Wurzel ist der Schwachsinn, wobei die Wurzel des Schwachsinns nicht zu unterschätzen ist (Werner) Eine Antwort auf diesen Beitrag verfassen (mit Zitat/Zitat des Beitrags) IP |
der_mechaniker Mitglied Maschinenbauingenieur
 
 Beiträge: 264 Registriert: 09.04.2002 WF3 M160, Intralink 3.4 und ausreichend Rechenleistung
|
erstellt am: 07. Mai. 2004 09:58 <-- editieren / zitieren --> Unities abgeben:          Nur für konstroktoer
@ehlers und alois genau so wie ehlers es auf dem zweiten Bild gezeigt hat, meinte ich es auch. War mit sowas in meinem armseligen Studentenleben noch nie konfrontiert, werde aber mal ein bisschen rumbasteln bis ichs soweit habe. Finde ich eine sehr sehr praktische Sache und kann ich vielleicht auch an meinem Kettenantrieb verwenden, an dem ich grade beschäftigt kann. Wir kalle schon sagte. Pro/E, alles ist möglich so long... phil ------------------ Eine Antwort auf diesen Beitrag verfassen (mit Zitat/Zitat des Beitrags) IP |