| | |
 | Gut zu wissen: Hilfreiche Tipps und Tricks aus der Praxis prägnant, und auf den Punkt gebracht für Autodesk Produkte |
| | |
 | PNY: der unverzichtbare Partner für umfassende KI-Lösungen von Workstations bis zu Edge Computing und KI-Cluster-Bereitstellung, eine Pressemitteilung
|
|
Autor
|
Thema: Kabelzeichnungen! (4335 mal gelesen)
|
Meex Mitglied Technischer Zeichner
 
 Beiträge: 404 Registriert: 27.08.2002 Inventor 7 - SP1/2 Windows 2000 AMD 1900 GeForce4 Ti4400 1 GB Ram
|
erstellt am: 08. Mai. 2004 20:55 <-- editieren / zitieren --> Unities abgeben:         
hi zusammen! da wir im bereich elektronik tätig sind, haben wir auch viele kabelzeichnungen. diese werden bis jetzt in visio gezeichnet (2d) kann mir wer tips geben über kabelzeichnungen im IV? ist es sinvoll diese in 3d zu erstellen oder über symbole in 2d? ------------------ Schöne Grüße Meex  PS: Erst wenn der letzte Baum gerodet, der letzte Fluss vergiftet, der letzte Fisch gefangen ist, werdet ihr feststellen, dass man Geld nicht essen kann! Eine Antwort auf diesen Beitrag verfassen (mit Zitat/Zitat des Beitrags) IP |
Bernhard Ruf Mitglied UnRuhestand

 Beiträge: 1429 Registriert: 30.07.2001
|
erstellt am: 08. Mai. 2004 21:06 <-- editieren / zitieren --> Unities abgeben:          Nur für Meex
|
Lucian Vaida Moderator Dipl.-Ing. / Konstruktion
       

 Beiträge: 3826 Registriert: 14.11.2002 Inventor 2024.2 Windows 11 Pro 23H2 DELL 7760
|
erstellt am: 08. Mai. 2004 21:09 <-- editieren / zitieren --> Unities abgeben:          Nur für Meex
Hallo Meex! So weit ich weiß, gibt es im Inventor Pro ein Modul für das Modellieren von Kabelbäumen und Verkabelungen. Ob das für euch Vorteile bringt könntest du ja anhand einer Demo testen. ------------------ Gruß, Lucian Eine Antwort auf diesen Beitrag verfassen (mit Zitat/Zitat des Beitrags) IP |
Meex Mitglied Technischer Zeichner
 
 Beiträge: 404 Registriert: 27.08.2002 Inventor 7 - SP1/2 Windows 2000 AMD 1900 GeForce4 Ti4400 1 GB Ram
|
erstellt am: 08. Mai. 2004 22:19 <-- editieren / zitieren --> Unities abgeben:         
Zitat: Original erstellt von Bernhard Ruf: Hallo Meex,hast Du ein Bild von Deinen jetzigen Zeichnungen?
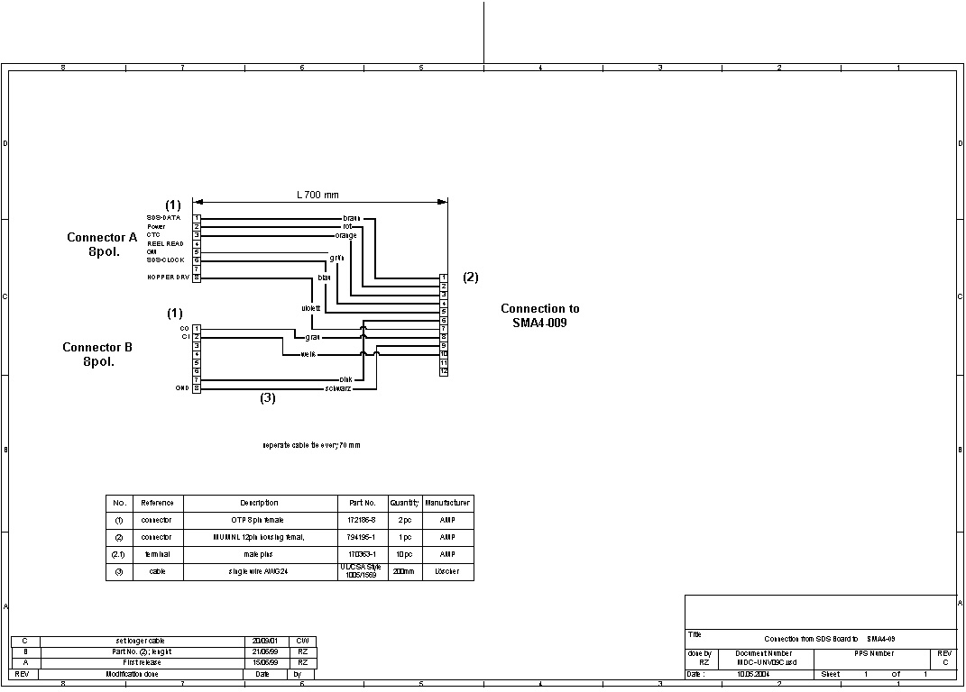
hi bernhard! werde ich am montag bereitstellen! ------------------ Schöne Grüße Meex  PS: Erst wenn der letzte Baum gerodet, der letzte Fluss vergiftet, der letzte Fisch gefangen ist, werdet ihr feststellen, dass man Geld nicht essen kann! Eine Antwort auf diesen Beitrag verfassen (mit Zitat/Zitat des Beitrags) IP |
invhp Ehrenmitglied V.I.P. h.c. MB Techniker, AE, WKZmacher

 Beiträge: 5552 Registriert: 16.05.2002 (fast) alles, was Autodesk im Mechanikbereich anbietet ;)
|
erstellt am: 09. Mai. 2004 09:50 <-- editieren / zitieren --> Unities abgeben:          Nur für Meex
|
Meex Mitglied Technischer Zeichner
 
 Beiträge: 404 Registriert: 27.08.2002 Inventor 7 - SP1/2 Windows 2000 AMD 1900 GeForce4 Ti4400 1 GB Ram
|
erstellt am: 10. Mai. 2004 09:06 <-- editieren / zitieren --> Unities abgeben:         
hi! danke jürgen für deine antwort! aber so genau (aufwedig )will ich das gar nicht handhaben. ich möchte in meinen zusammenbau keine kabeln einbauen, sondern vielmehr wie auf dem bild die kabeln symbolisch darstellen. die idee ist es die stecker in 3d in die idw hinein zu holen oder gleich über skizzierte symbole? ------------------ Schöne Grüße Meex PS: Erst wenn der letzte Baum gerodet, der letzte Fluss vergiftet, der letzte Fisch gefangen ist, werdet ihr feststellen, dass man Geld nicht essen kann! [Diese Nachricht wurde von Meex am 10. Mai. 2004 editiert.] Eine Antwort auf diesen Beitrag verfassen (mit Zitat/Zitat des Beitrags) IP |
Schachinger Ehrenmitglied V.I.P. h.c. Konstrukteur

 Beiträge: 2041 Registriert: 08.04.2002 Inventor 2019, Win10, Intel Core i7-9700 @ 3.00GHz, 64 GB RAM, Quadro K2000D
|
erstellt am: 10. Mai. 2004 09:09 <-- editieren / zitieren --> Unities abgeben:          Nur für Meex
|
Harry G. Ehrenmitglied V.I.P. h.c. one-man-show

 Beiträge: 4585 Registriert: 24.01.2003 PDSP2014.1.3; W7.1-64 E3-1240, 16 GB Quadro K2000
|
erstellt am: 10. Mai. 2004 09:27 <-- editieren / zitieren --> Unities abgeben:          Nur für Meex
Hi Meex, ich glaube, da bist Du mit einem Schaltplanzeichenprogramm besser bedient. Mir fallen da Eagle oder Eagle light und Target ein. Der Händler ELV hat auch so einiges. Mit Eagle wärst Du gut bedient, die anderen habe ich noch nicht in Aktion gesehen. Schau's Dir einfach mal an. ------------------ Grüße von Harry Eine Antwort auf diesen Beitrag verfassen (mit Zitat/Zitat des Beitrags) IP |
ASP Mitglied Dipl. Ing. (FH)
 
 Beiträge: 191 Registriert: 11.12.2001 INV2014 UT SP1 PNY FX600 i7 4770 Intel QuadCore 3.4GHz, 8GB, Win7ProSP1
|
erstellt am: 10. Mai. 2004 09:47 <-- editieren / zitieren --> Unities abgeben:          Nur für Meex
|

| |
invhp Ehrenmitglied V.I.P. h.c. MB Techniker, AE, WKZmacher

 Beiträge: 5552 Registriert: 16.05.2002 (fast) alles, was Autodesk im Mechanikbereich anbietet ;)
|
erstellt am: 10. Mai. 2004 10:03 <-- editieren / zitieren --> Unities abgeben:          Nur für Meex
|