Hot News:

Mit Unterstützung durch:

  Foren auf CAD.de (alle Foren)
  EPLAN Electric P8
  Mehrfachkabel Darstellung

Antwort erstellen  Neues Thema erstellen
CAD.de Login | Logout | Profil | Profil bearbeiten | Registrieren | Voreinstellungen | Hilfe | Suchen

Anzeige:

Darstellung des Themas zum Ausdrucken. Bitte dann die Druckfunktion des Browsers verwenden. | Suche nach Beiträgen nächster neuer Beitrag | nächster älterer Beitrag
  
Gut zu wissen: Hilfreiche Tipps und Tricks aus der Praxis prägnant, und auf den Punkt gebracht für EPLAN
  
E-world: Standards und datengetriebene Automatisierung für die Energiewende, eine Pressemitteilung
Autor Thema:  Mehrfachkabel Darstellung (4678 mal gelesen)
akkube
Mitglied



Sehen Sie sich das Profil von akkube an!   Senden Sie eine Private Message an akkube  Schreiben Sie einen Gästebucheintrag für akkube

Beiträge: 127
Registriert: 13.12.2005

erstellt am: 17. Nov. 2010 14:16    Editieren oder löschen Sie diesen Beitrag!  <-- editieren / zitieren -->   Antwort mit Zitat in Fett Antwort mit kursivem Zitat    Unities abgeben: 1 Unity (wenig hilfreich, aber dennoch)2 Unities3 Unities4 Unities5 Unities6 Unities7 Unities8 Unities9 Unities10 Unities


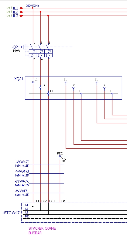
Mehrfachkabel.jpg

 
Hallo liebe P8-Gemeinde,
leider fehlt mir der richtige Ansatz. Support sagt geht nicht, aber
so schnell wollte ich nicht aufgeben.
Abgang 1400A über Anschlussblock an Stromschiene. Zur Versorgung
dienen je 4Kabel a 4x185² an drei Anschlusspunkten.
Würde das gerne vereinfacht darstellen, siehe Bild.
eventuell über "Geräte verschalten"? Wichtig wüäre mir die Kabelliste. BMK, Ader belegt und Quelle Ziel sollten vorhanden sein.
Idee ? (mittlerweile haben wir P8 2.0)
Gruss Wolfgang

------------------
WIN XP SP2
Eplan 5.7 SP1 HF2
Electric P8 1.9.10 SP1

Eine Antwort auf diesen Beitrag verfassen (mit Zitat/Zitat des Beitrags) IP

bgischel
Moderator
...und Dippel-Ing ET...




Sehen Sie sich das Profil von bgischel an!   Senden Sie eine Private Message an bgischel  Schreiben Sie einen Gästebucheintrag für bgischel

Beiträge: 15740
Registriert: 09.03.2001

EPLAN Electric P8
Professional
2.7.x
Expertenmenü :)
---

erstellt am: 17. Nov. 2010 14:37    Editieren oder löschen Sie diesen Beitrag!  <-- editieren / zitieren -->   Antwort mit Zitat in Fett Antwort mit kursivem Zitat    Unities abgeben: 1 Unity (wenig hilfreich, aber dennoch)2 Unities3 Unities4 Unities5 Unities6 Unities7 Unities8 Unities9 Unities10 Unities Nur für akkube 10 Unities + Antwort hilfreich

Geräte verschalten wäre eine Idee.

Wenn Du es im Plan nicht direkt darstellen möchtest (die zusätzlichen Komponenten) dann mußt Du diese bspw. im BM-Navi einfügen (nichtplatziert über Neu... oder Neue Funktionen...) und dann, wenn alle Komponenten vorhanden sind diese über das "Geräte verschalten" verschalten.

Vielleicht gibt es ja noch andere Ideen... 

------------------
 
P8 Magic | P8 FAQs | Normen, Links... | Historie | Hilfe | Suchen | Finden | Fragen | Geprüft

Eine Antwort auf diesen Beitrag verfassen (mit Zitat/Zitat des Beitrags) IP

akkube
Mitglied



Sehen Sie sich das Profil von akkube an!   Senden Sie eine Private Message an akkube  Schreiben Sie einen Gästebucheintrag für akkube

Beiträge: 127
Registriert: 13.12.2005

erstellt am: 17. Nov. 2010 14:52    Editieren oder löschen Sie diesen Beitrag!  <-- editieren / zitieren -->   Antwort mit Zitat in Fett Antwort mit kursivem Zitat    Unities abgeben: 1 Unity (wenig hilfreich, aber dennoch)2 Unities3 Unities4 Unities5 Unities6 Unities7 Unities8 Unities9 Unities10 Unities

Hallo Bernd,
ja nee, die Quelle Ziel existiert ja im Schaltplan.
Ich müsste den Anschluss -XQ21:L1 4x mit einer Ader belegen.
Ziel ist vorhandenes BMK +STC-W47 Anschluss E:L1.
Darum gehts. Platziert ist alles. Oder könnte mann die fehlenen
Anschlüsse nicht platzieren und dann verschalten?
Gruss Wolfgang

------------------
WIN XP SP2
Eplan 5.7 SP1 HF2
Electric P8 1.9.10 SP1

Eine Antwort auf diesen Beitrag verfassen (mit Zitat/Zitat des Beitrags) IP



Technischer Zeichner (m/w/d) für die Kabelbaumkonstruktion im Sonderfahrzeugbau

Die BINZ Automotive GmbH ist eines der führenden Unternehmen im Sonderfahrzeugbau. An unseren Standorten in Ilmenau in Thüringen und Plauen in Sachsen fertigen wir spannende Blaulichtfahrzeuge für Rettungsdienste, Feuerwehren und Behörden.

Wir suchen Dich als Technischer Zeichner (m/w/d) für die Kabelbaumkonstruktion im Sonderfahrzeugbau für unseren Standort in Ilmenau.


Anzeige ansehenKonstruktion, Visualisierung
akkube
Mitglied



Sehen Sie sich das Profil von akkube an!   Senden Sie eine Private Message an akkube  Schreiben Sie einen Gästebucheintrag für akkube

Beiträge: 127
Registriert: 13.12.2005

erstellt am: 17. Nov. 2010 16:47    Editieren oder löschen Sie diesen Beitrag!  <-- editieren / zitieren -->   Antwort mit Zitat in Fett Antwort mit kursivem Zitat    Unities abgeben: 1 Unity (wenig hilfreich, aber dennoch)2 Unities3 Unities4 Unities5 Unities6 Unities7 Unities8 Unities9 Unities10 Unities


Mehrfachkabel1.jpg

 
Hallo,
so, Bernd hat mich in die richtige Richtung geleitet.
Eine Kombination aus nicht "platzierten Funktionen"
mit "Geräte verschalten", hat dann zu dem akzeptierbaren
Ergebnis geführt.
Sollte jemand noch andere Ideen haben, gerne her damit.
Gruss Wolfgang

------------------
WIN XP SP2
Eplan 5.7 SP1 HF2
Electric P8 2.0.5

Eine Antwort auf diesen Beitrag verfassen (mit Zitat/Zitat des Beitrags) IP

Anzeige.:

Anzeige: (Infos zum Werbeplatz >>)

Darstellung des Themas zum Ausdrucken. Bitte dann die Druckfunktion des Browsers verwenden. | Suche nach Beiträgen

nächster neuerer Beitrag | nächster älterer Beitrag
Antwort erstellen


Diesen Beitrag mit Lesezeichen versehen ... | Nach anderen Beiträgen suchen | CAD.de-Newsletter

Administrative Optionen: Beitrag schliessen | Archivieren/Bewegen | Beitrag melden!

Fragen und Anregungen: Kritik-Forum | Neues aus der Community: Community-Forum

(c)2024 CAD.de | Impressum | Datenschutz