| | |
 | Gut zu wissen: Hilfreiche Tipps und Tricks aus der Praxis prägnant, und auf den Punkt gebracht für NX |
| | |
 | Productronica 2025 - Weltleitmesse für Elektronikfertigung, eine Veranstaltung am 18.11.2025
|
|
Autor
|
Thema: Abgewickelte Schnittbearbeitung NX4 (2543 mal gelesen)
|
SoleilBijou Mitglied Technische zeichnerin

 Beiträge: 22 Registriert: 04.07.2008
|
erstellt am: 07. Jul. 2008 11:16 <-- editieren / zitieren --> Unities abgeben:         
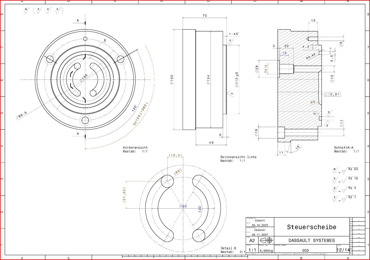
Tja ich schon wieder... ich möchte einen Abknickenden Schnitt durch ein Rotationsteil machen... (siehe Anhang Vorderansicht) Durch die Vertiefung wie auch im Bild. Aber bei der Abgewickelte Schnittbearbeitung kann man ja nur gerade Schnitte machen! Kann ich auch einen Runden Schnitt machen, wie es normalerweise ja auch üblich ist?? Bitte um Hilfe ------------------ Sinn des Lebens: etwas, das keiner genau weiß. Jedenfalls hat es wenig Sinn, der reichste Mann auf dem Friedhof zu sein. Peter Ustinov Eine Antwort auf diesen Beitrag verfassen (mit Zitat/Zitat des Beitrags) IP |
Hightower205 Ehrenmitglied Leiter Engineering Services
    
 Beiträge: 1725 Registriert: 27.01.2005 NX 8.0.3.4 MP11; TC 8.3.3 Win7 64Bit
|
erstellt am: 07. Jul. 2008 12:00 <-- editieren / zitieren --> Unities abgeben:          Nur für SoleilBijou
Hallo SoleilBijou (was für ein Nick!  ), du willst den Schnitt also NICHT so machen, wie auf dem Bild? Dazu bietet die Nixe den "Rotationsschnitt" an. Ich mach´s immer so: - Rotationsschnittansicht erzeugen - Rotationsmittelpunkt festlegen (Punktfang beachten!) - Schenkelpositionen festlegen (Punktfang beachten!) - Ansicht absetzen - Schnittlinie auswählen ->Bearbeiten - Option Segment hinzufügen ->Schnittpunkt festlegen - Segment verschieben: hier den Schenkel wählen, der abgeknickt werden soll - ggf. die Position der Segmente anpassen - Schnittansicht aktualisieren. Viel Erfolg, Juwel der Sonne (ist die Übersetzung ungefähr richtig?) ------------------ Hoffeeinehilfegewesenzusein  Gruß Ralf Improvisieren ist nur dann eine Kunst, wenn man nicht unvorbereitet aussieht... Eine Antwort auf diesen Beitrag verfassen (mit Zitat/Zitat des Beitrags) IP |
SoleilBijou Mitglied Technische zeichnerin

 Beiträge: 22 Registriert: 04.07.2008
|
erstellt am: 07. Jul. 2008 12:20 <-- editieren / zitieren --> Unities abgeben:         
Hallo Hightower205, Supa Idee Danke. Das hat echt gut funktioniert!!!! ja so kann man das sagen!! Nicht schlecht. nachgeguckt oder gewusst??? ------------------ Sinn des Lebens: etwas, das keiner genau weiß. Jedenfalls hat es wenig Sinn, der reichste Mann auf dem Friedhof zu sein. Peter Ustinov Eine Antwort auf diesen Beitrag verfassen (mit Zitat/Zitat des Beitrags) IP |
Hightower205 Ehrenmitglied Leiter Engineering Services
    
 Beiträge: 1725 Registriert: 27.01.2005 NX 8.0.3.4 MP11; TC 8.3.3 Win7 64Bit
|
erstellt am: 07. Jul. 2008 12:32 <-- editieren / zitieren --> Unities abgeben:          Nur für SoleilBijou
|
SoleilBijou Mitglied Technische zeichnerin

 Beiträge: 22 Registriert: 04.07.2008
|
erstellt am: 07. Jul. 2008 13:01 <-- editieren / zitieren --> Unities abgeben:         
Ach der gute Alte LEO!!! ja den kenn ich auch!!!  Gruß Christina ------------------ Sinn des Lebens: etwas, das keiner genau weiß. Jedenfalls hat es wenig Sinn, der reichste Mann auf dem Friedhof zu sein. Peter Ustinov Eine Antwort auf diesen Beitrag verfassen (mit Zitat/Zitat des Beitrags) IP |
FelixM Ehrenmitglied V.I.P. h.c. Dipl.- Ing. Schiffbau
     
 Beiträge: 2465 Registriert: 17.05.2004 NX1-NX CR Star CCM++ 2023 Heeds TC13 Alma ActCut 3.8 Rhino 8 Paramarine 2023 Bricscad 24 Dell M7770 in Dock 64GB I9 RTX A3000 3xSSD Win10 3x 25" Dell U2515H
|
erstellt am: 07. Jul. 2008 14:12 <-- editieren / zitieren --> Unities abgeben:          Nur für SoleilBijou
|
Hightower205 Ehrenmitglied Leiter Engineering Services
    
 Beiträge: 1725 Registriert: 27.01.2005
|
erstellt am: 07. Jul. 2008 14:30 <-- editieren / zitieren --> Unities abgeben:          Nur für SoleilBijou
|
FelixM Ehrenmitglied V.I.P. h.c. Dipl.- Ing. Schiffbau
     
 Beiträge: 2465 Registriert: 17.05.2004 NX1-NX CR Star CCM++ 2023 Heeds TC13 Alma ActCut 3.8 Rhino 8 Paramarine 2023 Bricscad 24 Dell M7770 in Dock 64GB I9 RTX A3000 3xSSD Win10 3x 25" Dell U2515H
|
erstellt am: 07. Jul. 2008 14:43 <-- editieren / zitieren --> Unities abgeben:          Nur für SoleilBijou
|
SoleilBijou Mitglied Technische zeichnerin

 Beiträge: 22 Registriert: 04.07.2008
|
erstellt am: 08. Jul. 2008 06:43 <-- editieren / zitieren --> Unities abgeben:         
Hy Felix... ja LEO ist klasse. Hilft dir in jeder lebenslage!! ------------------ Sinn des Lebens: etwas, das keiner genau weiß. Jedenfalls hat es wenig Sinn, der reichste Mann auf dem Friedhof zu sein. Peter Ustinov Eine Antwort auf diesen Beitrag verfassen (mit Zitat/Zitat des Beitrags) IP |