| | |
 | Gut zu wissen: Hilfreiche Tipps und Tricks aus der Praxis prägnant, und auf den Punkt gebracht für SOLIDWORKS |
| | |
 | Bechtle PLM Deutschland tritt dem Deutschen Robotik Verband bei und startet Kooperation, eine Pressemitteilung
|
|
Autor
|
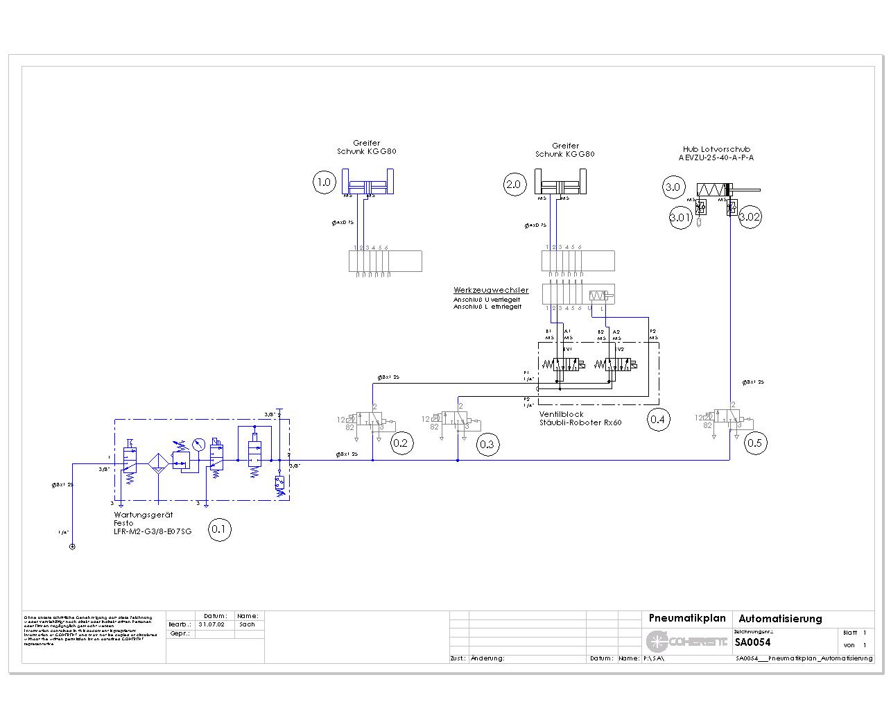
Thema: Erstellung von Pneumatikplänen (18164 mal gelesen)
|
Compact Mitglied Technischer Zeichner

 Beiträge: 30 Registriert: 30.07.2002 P4 6,12GHZ 1024 MB RAM
|
erstellt am: 31. Jul. 2002 08:34 <-- editieren / zitieren --> Unities abgeben:         
Hallo alle zusammen, muss von euch jemand Pneumatikpläne erstellen. Wie macht Ihr das mit Solid Works? Arbeitet Ihr vielleicht mit Microsoft Visio? Wer kann mir Tipps geben und evtl. ein Ergebnis zeigen, wie er einen Pneumatikplan erstellt hat. ------------------ Vielen Dank Bernhard Eine Antwort auf diesen Beitrag verfassen (mit Zitat/Zitat des Beitrags) IP |
Alexis Mitglied Konstrukteur/Admin
 
 Beiträge: 231 Registriert: 05.04.2001
|
erstellt am: 31. Jul. 2002 08:42 <-- editieren / zitieren --> Unities abgeben:          Nur für Compact
Hi, also wir haben es auch probiert mit SWX , aber es war nicht so der Hit. Wir haben nun FluidDraw von FESTO im Einsatz (bei Festo erhältlich) dort sind alle Ventile und Zylinder usw... hinterlegt und es sind logische Verbindungen zwischen den einzelenen Elemten möglich, also man muss keine Freihandlinien zeichnen, sondern "klickt" von Anschluss zu Anschluss. Ist wirklich gut einzusetzen. Kannst ja mal probieren CU Alexis Eine Antwort auf diesen Beitrag verfassen (mit Zitat/Zitat des Beitrags) IP |
Klaus Greim Mitglied CAD-Administrator
 
 Beiträge: 178 Registriert: 10.05.2000 SWX 2013 SP 5.0 Windows 7 Prof. Intel Xenon CPU W3520 12 GB RAM
|
erstellt am: 31. Jul. 2002 09:57 <-- editieren / zitieren --> Unities abgeben:          Nur für Compact
Hallo, auch wir erstellen unsere Pneum. Pläne mit Fluid Draw. Das Programm ist super. Zwei Punkte sind aber zu beachten. Mit Fluid Draw kann man nicht richtig positonieren weil man keine Linie erzeugen kann. Es ist nur eine Textfunktion enthalten. Wir positionieren momentan in Solidworks. Hier schließt sich der zweite Punkt an. Man kommt nur über DXF aus Fluid Draw heraus. Will man den Pneumatikplan als SWX Zeichnnung ablegen muß man in Fluid-Draw ein DXF erstellen und in SWX einlesen. Änderungen an einem Plan sind dann natürlich umständlich. Wenn hier jemand mehr weis, raus damit. Tschüß Eine Antwort auf diesen Beitrag verfassen (mit Zitat/Zitat des Beitrags) IP |
stahly Mitglied CAX-Koordinator
   
 Beiträge: 1016 Registriert: 29.07.2002
|
erstellt am: 31. Jul. 2002 10:03 <-- editieren / zitieren --> Unities abgeben:          Nur für Compact
Hi! Wir nehmen ebenfalls Fluiddraw. Wenn der Plan "einigermaßen gut" aussieht, wird die Zeichnung als DXF rausgeschrieben. Anschließend importieren wir das ganze in ACAD2000i. Dort lassen sich dann auch alle Symbole genau positionieren. Diese Methode hat sich für uns als einfachste und schnellste herausgestellt. Bis SWX im 2D-Bereich "soweit" ist, wird wohl noch ein bischen Zeit verstreichen... bis dahin... stahly Eine Antwort auf diesen Beitrag verfassen (mit Zitat/Zitat des Beitrags) IP |
JM Mitglied
 
 Beiträge: 223 Registriert: 02.11.2000 SW2006 SP5.0 Produktiv SW2009 SP4.1 Tesr
|
erstellt am: 31. Jul. 2002 13:05 <-- editieren / zitieren --> Unities abgeben:          Nur für Compact
|
Piet Mitglied Konstruktionsleiter & Konstrukteur
  
 Beiträge: 661 Registriert: 20.11.2001 SWx 2021
|
erstellt am: 31. Jul. 2002 13:37 <-- editieren / zitieren --> Unities abgeben:          Nur für Compact
Ich erstelle im Moment meine Pneumatikpläne mit SWx, aber das Gelbe vom Ei ist das nicht. Alle Schwächen von SWx im 2D-Bereich kommen hier voll zum Tragen: - Blockinterne Elemente lassen sich nicht mit anderen Zeichnungselementen verknüpfen. Z.B. habe ich ein Ventilsymbol als Block, kann aber keine Linie als Leitungssymbol genau an den Einlaß des Ventils hängen, sondern nur "so ungefähr" hinschieben - Beim Erstellen von Blöcken verspringen alle Texte, so dass man -zig Versuche braucht, bis der Block steht. - eine 2D-Funktion "strecken" fehlt, so dass ich einen Teil des Plans per Fenster auswählen kann und verschieben, so dass die angeschlossenen Leitungen verbunden bleiben (oder hab ich das nur nicht gefunden?). - Es ist nicht möglich, Teile des Plans nur orthogonal zu verschieben (oder hab ich das nur nicht gefunden?) - Es gibt keinerlei intelligente Verknüpfungen zwischen den Elementen. Dadurch ist die Positionierung recht zufällig. Visio soll recht gut sein für solche Zwecke. Ausprobiert hab ich es nicht. Nur für den Fall, dass du das noch nicht weißt, gibt es viele Pneumatiksymbole als Blöcke zu Download: http://solidworks.cad.de/lib_pneusym.htm Eine Antwort auf diesen Beitrag verfassen (mit Zitat/Zitat des Beitrags) IP |
Compact Mitglied Technischer Zeichner

 Beiträge: 30 Registriert: 30.07.2002 P4 6,12GHZ 1024 MB RAM
|
erstellt am: 31. Jul. 2002 13:40 <-- editieren / zitieren --> Unities abgeben:         
|
Piet Mitglied Konstruktionsleiter & Konstrukteur
  
 Beiträge: 661 Registriert: 20.11.2001 SWx 2021
|
erstellt am: 31. Jul. 2002 13:44 <-- editieren / zitieren --> Unities abgeben:          Nur für Compact
|
Piet Mitglied Konstruktionsleiter & Konstrukteur
  
 Beiträge: 661 Registriert: 20.11.2001 SWx 2021
|
erstellt am: 01. Aug. 2002 10:18 <-- editieren / zitieren --> Unities abgeben:          Nur für Compact
|
JM Mitglied
 
 Beiträge: 223 Registriert: 02.11.2000
|
erstellt am: 01. Aug. 2002 10:35 <-- editieren / zitieren --> Unities abgeben:          Nur für Compact
Hallo, Zitat: Original erstellt von Piet: Frage an die Fluiddraw-Anwender: Kann man damit auch eigene Symbole erstellen und richtig einbinden?
genau das geht meiner Meinung nach nicht bzw. sehr schlecht, weil man an diesen eigenen Symbolen keine Anschlüsse so definieren kann, daß das Arbeiten mit der automatischen Leitungsführung von FluidDraw mit Festo-Symbolen noch machbar ist. Ich denke solange man nur mit Festo-Symbolen arbeitet, ist das Programm genial, braucht man Symbole von anderen Herstellern oder Eigene wirds krampfig und vom optischen Erscheinungsbild des Pneumatikplans unschön. Ciao Jana Eine Antwort auf diesen Beitrag verfassen (mit Zitat/Zitat des Beitrags) IP |