| | |
 | Gut zu wissen: Hilfreiche Tipps und Tricks aus der Praxis prägnant, und auf den Punkt gebracht für EPLAN |
| | |
 | E-world: Standards und datengetriebene Automatisierung für die Energiewende, eine Pressemitteilung
|
|
Autor
|
Thema: Linientyp bei 0V Potenzial (491 / mal gelesen)
|
Maggsi Mitglied Automatisierungstechniker
 Beiträge: 1 Registriert: 11.11.2025
|
erstellt am: 11. Nov. 2025 16:23 <-- editieren / zitieren --> Unities abgeben:         
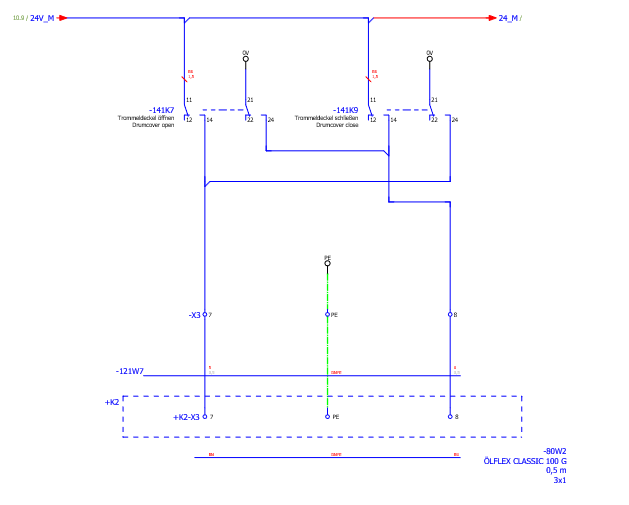
Hallo zusammen, ich habe ein Problem mit der Darstellung meiner Linientypen bei den 0V-Potentialen. Normalerweise machen wir das so, dass die 24V-Leitungen durchgezogen und die 0V-Leitungen gestrichelt dargestellt werden. In der Potentialdefinition habe ich das auch entsprechend eingestellt. In meinem aktuellen Projekt gehe ich jedoch einmal von 24V und einmal von 0V auf dieselbe Klemme (siehe Anhang). Seitdem wird die 0V-Leitung nicht mehr gestrichelt, sondern durchgezogen angezeigt. Frage: Wie kann ich erreichen, dass die 0V-Leitung wieder im gestrichelten Linientyp angezeigt wird? Vielen Dank schon mal für eure Hilfe! Grüße Maggsi
------------------ Mit freundlichen Grüßen – Maxi
Eine Antwort auf diesen Beitrag verfassen (mit Zitat/Zitat des Beitrags) IP |
Wieselding Mitglied
 
 Beiträge: 371 Registriert: 05.10.2015 ePlan P8 2026
|
erstellt am: 11. Nov. 2025 18:30 <-- editieren / zitieren --> Unities abgeben:          Nur für Maggsi
Die Potenziale dürfen ab dem Wechslerkontakt nicht mehr definiert sein. Bzw müssen jeweils auf ein Potenzial festgelegt sein, aber ohne Weiterleitung. ------------------ EN81346-2 PK: "Fühlbare Informationsdarstellung" -> Vibrator Eine Antwort auf diesen Beitrag verfassen (mit Zitat/Zitat des Beitrags) IP |
HOC Ehrenmitglied V.I.P. h.c.

 Beiträge: 2008 Registriert: 14.06.2004 5.70 Prof P8 2.9.4 Update15 P8 Vers.2025
|
erstellt am: 11. Nov. 2025 20:02 <-- editieren / zitieren --> Unities abgeben:          Nur für Maggsi
|

| | Elektrokonstrukteur / Techniker EPLAN P8 für EZA-Regler (m|w|d) | - Über 350 Mitarbeitende bundesweit an verschiedenen Standorten
- Unsere Geschäftsfelder: Kommunalentwicklung, Gebäudeplanung und Architektur, E-Mobilität, Photovoltaik, Digitalisierung, Investition und Contracting
- Schwerpunkt der Gesellschaft energielenker solutions GmbH:
Energiemanagement-Software, KI-gestützte Steuerung von Energieerzeugungsanlagen, Lastmanagement, ... | | Anzeige ansehen | Feste Anstellung |
|
P8xBrother Mitglied

 Beiträge: 13 Registriert: 29.12.2021 EPLAN Plattform 1.9-2.7/.8/.9 und 202x
|
erstellt am: 16. Nov. 2025 13:07 <-- editieren / zitieren --> Unities abgeben:          Nur für Maggsi
Immer wieder spannend - mal so ein Hinweis für Profis. Nach den relevanten Normen für Schaltpläne, etwa der DIN EN 61082-1 und weiteren branchenspezifischen Vorgaben, gilt: In Schaltplänen sollen Verbindungen, Leiter und Schaltzeichen in der Regel mit durchgezogenen Linien (Volllinien) dargestellt werden, um Einheitlichkeit und Klarheit zu gewährleisten. ------------------ P8liche Grüße ✌🏼 Eine Antwort auf diesen Beitrag verfassen (mit Zitat/Zitat des Beitrags) IP |