| | |
 | Gut zu wissen: Hilfreiche Tipps und Tricks aus der Praxis prägnant, und auf den Punkt gebracht für SolidEdge |
| | |
 | SIEMENS PLM CONNECTION 2026 | 22. - 24. Juni 2026 | Lufthansa Konferenzzentrum Seeheim |
| | |
 | NX Administration , ein Seminar am 23.07.2026
|
|
Autor
|
Thema: Wie Gewindebemaßung in Zeichung hinzufügen (270 / mal gelesen)
|
TobiasHe Mitglied Lehrer
 Beiträge: 4 Registriert: 07.04.2026 Solid Edge 2025 Academic
|
erstellt am: 07. Apr. 2026 14:36 <-- editieren / zitieren --> Unities abgeben:         
Hallo zusammen, ich habe zum Üben eine einfache Gewindestange M10 erstellt (sequentieller Modus und als .par gespeichert). Mit "Neu --> Zeichnung des aktiven Modells" konnte ich dann die Vorderansicht zeichnen lassen. Wie kann ich nun das Gewinde als solches beschriften lassen, also so dass M10 daneben steht? Vielen Dank. Tobias Eine Antwort auf diesen Beitrag verfassen (mit Zitat/Zitat des Beitrags) IP |
wolha Moderator CAD - Consultant
       
 Beiträge: 5766 Registriert: 30.01.2002 Win 11 Pro Solid Edge 2023 CAMWorks Primus PDM FEMAP Dynamic Designer Teamcenter
|
erstellt am: 07. Apr. 2026 15:58 <-- editieren / zitieren --> Unities abgeben:          Nur für TobiasHe
Zitat: Original erstellt von TobiasHe: Hallo zusammen,ich habe zum Üben eine einfache Gewindestange M10 erstellt (sequentieller Modus und als .par gespeichert). Mit "Neu --> Zeichnung des aktiven Modells" konnte ich dann die Vorderansicht zeichnen lassen. Wie kann ich nun das Gewinde als solches beschriften lassen, also so dass M10 daneben steht? Vielen Dank. Tobias
Hallo Tobias,
am einfachsten ist es, wenn Du bei der Bemaßungstyp auf Formelementelegende umschaltest. Dann sollte sofort die Gewindegröße kommen.
Alternativ kannst Du auch unter Prefix - Subfix die Gewindegröße abrufen Kürzel wäre "%TS" (Thread Size) und das geht auch via Symbol im Fenster
Einfacher ist die
------------------ mfg Wolfgang Hackl CAD/CAM - Consult Eine Antwort auf diesen Beitrag verfassen (mit Zitat/Zitat des Beitrags) IP |
TobiasHe Mitglied Lehrer
 Beiträge: 4 Registriert: 07.04.2026 Solid Edge 2025 Academic
|
erstellt am: 07. Apr. 2026 17:04 <-- editieren / zitieren --> Unities abgeben:         
|
TobiasHe Mitglied Lehrer
 Beiträge: 4 Registriert: 07.04.2026 Solid Edge 2025 Academic
|
erstellt am: 08. Apr. 2026 09:59 <-- editieren / zitieren --> Unities abgeben:         
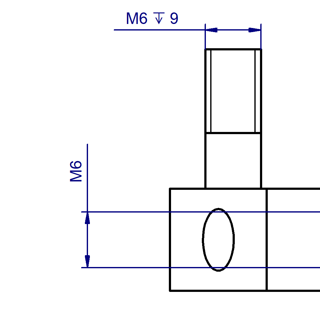
Darf ich hier gleich noch als Frage dranhängen, ob es Normen o.ä. dafür gibt, wie viel an Information dabei stehen muss? Als Beispiel habe ich als nächstes eine Senkbohrung M5 gemacht. In den Bemaßungseigenschaften heißt es dazu: %DI %HS %ZH%RTC'SINK %DI %SS X %SA Ist es notwendig, alles anzugeben? Und ist die Ausgabe ['SINK dann ein Fehler, sollte da nicht nur SINK stehen?
Eine Antwort auf diesen Beitrag verfassen (mit Zitat/Zitat des Beitrags) IP |
wolha Moderator CAD - Consultant
       
 Beiträge: 5766 Registriert: 30.01.2002 Win 11 Pro Solid Edge 2023 CAMWorks Primus PDM FEMAP Dynamic Designer Teamcenter
|
erstellt am: 08. Apr. 2026 11:12 <-- editieren / zitieren --> Unities abgeben:          Nur für TobiasHe
Zitat: Original erstellt von TobiasHe: Darf ich hier gleich noch als Frage dranhängen, ob es Normen o.ä. dafür gibt, wie viel an Information dabei stehen muss? Als Beispiel habe ich als nächstes eine Senkbohrung M5 gemacht. In den Bemaßungseigenschaften heißt es dazu: %DI %HS %ZH%RTC'SINK %DI %SS X %SAIst es notwendig, alles anzugeben? Und ist die Ausgabe ['SINK dann ein Fehler, sollte da nicht nur SINK stehen?
Hallo Tobias, nein prinzipiell ist es kein Fehler. Ich würde im Deutschen Sprachraum - und auch generell - allerdings nicht C'sink schreiben, sondern das - genormte - Symbol dazu nehmen, ist sprachunabhängig. Welche Infos Du dazu gibst ist immer Deine Entscheidung. Es dient grundsätzlich dazu, alle Infos direkt in einem einzigen Maß zu schreiben und damit weitere Schnitte, Ansichten etc. nicht mehr machen zu müssen. Auch der Fertiger sieht alles auf einem Blick. Beim Mal-Zeichen bevorzuge ich das keine "x" - sieht irgendwie besser aus.
------------------ mfg Wolfgang Hackl CAD/CAM - Consult Eine Antwort auf diesen Beitrag verfassen (mit Zitat/Zitat des Beitrags) IP |
TobiasHe Mitglied Lehrer
 Beiträge: 4 Registriert: 07.04.2026 Solid Edge 2025 Academic
|
erstellt am: 09. Apr. 2026 08:25 <-- editieren / zitieren --> Unities abgeben:         
|
Markus Gras Moderator Solid Edge AE
       
 Beiträge: 4821 Registriert: 20.07.2000 Kritik muß sachlich falsch und persönlich verletzend sein, damit sie wirkt.
|
erstellt am: 09. Apr. 2026 09:07 <-- editieren / zitieren --> Unities abgeben:          Nur für TobiasHe
Hallo Zusammen, ich habe hier mal eine Auflistung meiner aktuellen Einstellungen gemacht. Die könnt ihr gerne in eure Formatvorlage kopieren. Ich gebe aber keine Garantie darauf, das dies korrekt ist und der Norm entspricht. Der Abruf der Bohrungstoleranz %HS/F1 funktioniert erst ab Solid Edge 2024. Formelementlegende
Bohrung- Einfache Bohrung: %QN%DI%{%HS/F1} %ZH
- Stufenbohrung: %QN%DI%BSx%BD%CB%RT%DI%{%HS/F1} %ZH
- Senkbohrung: %QN%DI%SSx%SA%RT%DI%{%HS/F1} %ZH
- Stufensenkbohrung: %QN%DI%BSx%BD%RT%DI%SSx%SA%RT%DI%{%HS/F1} %ZH
- Einfache Bohrung (Gewinde): %QN%TS%LH %ZT %ZH
- Stufenbohrung (Gewinde): %QN%DI%BSx%BD%CB%RT%TS%LH%ZT %ZH
- Senkbohrung (Gewinde): %QN%DI%SSx%SA%RT%TS%LH %ZT %ZH
- Stufensenkbohrung (Gewinde): %QN%DI%BSx%BD%RT%DI%SSx%SA%RT%TS%LH %ZT %ZH
Schlitz - Einfach: %QN%HS x %SH %ZH
- Senkschlitz: %QN%BSx%BD%CB%RT%HS x %SH %ZH
Automatische Tiefe
- Bohrtiefe - Feste Tiefe: / %HD
- Gewindetiefe - Feste Tiefe: x %TD
- Schlitztiefe - Feste Tiefe: / %HD
- Anmerkung zur Bohrungsanzahl - Menge: %QCx
Ganz wichtig ist an der Stelle noch zu erwähnen, dass der Bemaßungstyp auf Formelementlegende voreingestellt wird. Wenn man etwas bemaßt was keine Bohrung oder Schlitz ist, also ein Formelement, dann schaltet Solid Edge automatisch auf Nominal um, man muß also nicht manuell ständig hin und her schalten. ------------------ Gruß Markus Gras Unitec Informationssysteme GmbH Eine Antwort auf diesen Beitrag verfassen (mit Zitat/Zitat des Beitrags) IP |