| | |  | Gut zu wissen: Hilfreiche Tipps und Tricks aus der Praxis prägnant, und auf den Punkt gebracht für SOLIDWORKS | | | |  | SIEMENS PLM CONNECTION 2026 | 22. - 24. Juni 2026 | Lufthansa Konferenzzentrum Seeheim | | | |  | Neue Version testen: myCADtools 2026 SP1 Beta, ein Fachartikel
|
|
Autor
|
Thema: SW2026 - Zeichnung automatisch generieren (1077 / mal gelesen)
|
Andi Beck Ehrenmitglied V.I.P. h.c. Konstrukteur

 Beiträge: 2700 Registriert: 02.10.2006 Firma: SW 2024-5.0 + PDM Prof. Windows 11 Pro 64bit, i9-11900 32 GbRAM, Quadro P2200 Home: SW 2026-1.1 Passungstabelle von Heinz Windows 11 Pro 64bit, i7-12700K, 32 GbRAM, GeForce GTX 1050Ti Samsung C34H892, 3440x1440 Pixel
|
erstellt am: 25. Jan. 2026 14:19 <-- editieren / zitieren --> Unities abgeben:         
Hallo, ich habe mir jetzt den Vortrag von Heiko zum Thema What's New in SOLIDWORKS 2026 angeschaut. Vor allem bin ich beim Punkt Zeichnung automatisch generieren hellhörig geworden, und wollte mir das mal genauer anschauen. Leider bekomme ich beim Aufruf der Funktion eine Meldung: Vorlagen nicht gefunden (siehe Bilder) Wie man sieht, sind bei mir aber Pfade hinterlegt. Ich finde aber keine Einstellung, bei der ich genau die Vorlage angeben kann, die verwendet werden soll. Bei 3DEXPERIENCE bin ich angemeldet. Was will SOLIDWORKS Design von mir? Grüße, Andi B. ------------------ Hast du kein Problem? Such dir eins. ( Und löse es ) Eine Antwort auf diesen Beitrag verfassen (mit Zitat/Zitat des Beitrags) IP |
Oberli Mike Ehrenmitglied V.I.P. h.c. Dipl. Maschinen Ing. / Supporter

 Beiträge: 3992 Registriert: 29.09.2004 SOLIDWORKS 2026 SP2.1 SOLIDWORKS 2025 SP5.0 SOLIDWORKS 2024 SP5.0 SOLIDWORKS 2023 SP5.0
|
erstellt am: 25. Jan. 2026 18:42 <-- editieren / zitieren --> Unities abgeben:          Nur für Andi Beck
Hallo Andi Bisher testete ich diese Funktion nicht. In den Verlinkten Ordnern sind bei mir mehrere Stücklisten hinterlegt. Somit kann die Software über diese Verlinkung nicht identifizieren, welche Stückliste verwendet werden soll. Ich sehe zwei Möglichkeiten, so man die Stücklistenvorlage und die Versionstabellenvorlage hinterlegen kann (unklar ob es mehr gibt, und es ein anderer Ort ist). Ort 1 (vermute, dass bei dieser diese Zeichenfolgen in der Registry auf ein vorhandenes File hinterlegt sind) Computer\HKEY_CURRENT_USER\Software\SolidWorks\SOLIDWORKS 20xx\Drawings - Last BOM Template Path - Last Revision Template Path Ort 2 Die Vorlagen müssen in die 3DXP Plattform hochgeladen werden. Die Meldung sollte meines Erachtens beinhalten, wo die Vorlagen hinterlegt werden müssen, was aber offensichtlich nicht der Fall ist. Gruss Mike
Eine Antwort auf diesen Beitrag verfassen (mit Zitat/Zitat des Beitrags) IP |
Andi Spieler Mitglied Mechaniker
   
 Beiträge: 1481 Registriert: 12.12.2002 SOLIDWORKS 2026SP1.1
|
erstellt am: 26. Jan. 2026 10:17 <-- editieren / zitieren --> Unities abgeben:          Nur für Andi Beck
Hallo Andi, wichtig ist, dass nicht nur der Pfad zu den Vorlagen stimmt, sondern dass die Vorlagendateien auch wirklich erstellt wurden und sie an dem richtigen Ort sind. Ich hab' keine in der 3DEXPERIENCE-Platform abgelegt. Die Funktion gibt es auch schon in SWX2025 ab SP3. Viele Grüße Andi Eine Antwort auf diesen Beitrag verfassen (mit Zitat/Zitat des Beitrags) IP |
Andi Beck Ehrenmitglied V.I.P. h.c. Konstrukteur

 Beiträge: 2700 Registriert: 02.10.2006 Firma: SW 2024-5.0 + PDM Prof. Windows 11 Pro 64bit, i9-11900 32 GbRAM, Quadro P2200 Home: SW 2026-1.1 Passungstabelle von Heinz Windows 11 Pro 64bit, i7-12700K, 32 GbRAM, GeForce GTX 1050Ti Samsung C34H892, 3440x1440 Pixel
|
erstellt am: 26. Jan. 2026 10:54 <-- editieren / zitieren --> Unities abgeben:         
Moin Andi, die Pfade stimmen bei mir schon und ich habe auch die Vorlagendateien dort abgelegt. Aber dort sind jeweils verschiedene Vorlagendateien abgelegt, und woher soll SW nun wissen, welche die richtige (aktuelle) Datei ist, wenn ich sie nicht auswählen (definieren) kann? Und wenn da 2 Pfade hinterlegt sind, erweitert sich das Problem. Wir verwenden aktuell diese beiden: revisionstabelle-06.sldrevtbt Stueckliste mit Konfiguration-Formica.sldbomtbt Zu erwähnen wäre noch, dass der Pfad zum PDM zeigt und dieser bei mir zu Hause Offline ist. Viele Grüße Andi B. ------------------ Hast du kein Problem? Such dir eins. ( Und löse es ) Eine Antwort auf diesen Beitrag verfassen (mit Zitat/Zitat des Beitrags) IP |
Heiko Soehnholz Ehrenmitglied V.I.P. h.c. Dipl.-Ing. (FH) Maschinenbau

 Beiträge: 5683 Registriert: 03.07.2002 SOLIDWORKS 2001 - 2026 Elite AE Award 2023 SOLIDWORKS Premium, 3DEXPERIENCE, Simu, Flow, Plastics, Composer, MBD, Inspection, PDMP, Visualize, TopsWorks, Bechtle Tools, JobBox, MacroSheet, etc. Passungstabelle von Heinz WIN11 25H2 | HP ZBook 17 Fury G8
|
erstellt am: 27. Jan. 2026 11:21 <-- editieren / zitieren --> Unities abgeben:          Nur für Andi Beck
Moin, ich habe dazu auch noch 2 cents in der Tasche: - Meine Vorlagen, Blattformate, Tabellenvorlagen liegen lokal - viele Vorlagen in vielen Verzeichnissen - Die zu verwendende Stücklistenvorlage beginnt mit A (das ist so, wie die Kleinanzeigen in der Morgenpost, die mit AAA, AA und A beginnen)  - Die Vorlage beinhaltet schon ein Blattformat, weil ich die "automatische Auswahl" des Blattformates bis heute nicht bewerkstelligen konnte - Und die Vorlage wurde fest eingestellt - abweichend von der sonst üblichen Praxis - Bekomme ich halbwegs vernünftige Ergebnisse eher mit der Projektion "dritter Winkel". - Anfänglich hat der Mechanismus auch noch die fehlende Existenz einer Familientabelle bemäkelt, die ich daraufhin anlegte. Es ist halt alles noch beta und bei weitem nicht fertig. Aber immerhin gibt es da einen tollen Mechanismus, an dem gearbeitet wird, der immer bessere Ergebnisse liefert. Und irgendwann dann auch verwendbare... Sind jetzt doch 7 cents geworden... 
------------------ Einen schönen Gruß von Heiko
[Diese Nachricht wurde von Heiko Soehnholz am 27. Jan. 2026 editiert.] Eine Antwort auf diesen Beitrag verfassen (mit Zitat/Zitat des Beitrags) IP |
Andi Beck Ehrenmitglied V.I.P. h.c. Konstrukteur

 Beiträge: 2700 Registriert: 02.10.2006 Firma: SW 2024-5.0 + PDM Prof. Windows 11 Pro 64bit, i9-11900 32 GbRAM, Quadro P2200 Home: SW 2026-1.1 Passungstabelle von Heinz Windows 11 Pro 64bit, i7-12700K, 32 GbRAM, GeForce GTX 1050Ti Samsung C34H892, 3440x1440 Pixel
|
erstellt am: 27. Jan. 2026 15:45 <-- editieren / zitieren --> Unities abgeben:         
Hallo Heiko, erst mal noch besten Dank für deinen What's New in SOLIDWORKS 2026 Vortrag. Zitat Heiko mit Kommentaren: - Meine Vorlagen, Blattformate, Tabellenvorlagen liegen lokal - meine auch - viele Vorlagen in vielen Verzeichnissen - meine auch - Die zu verwendende Stücklistenvorlage beginnt mit A - meine nicht - Die Vorlage beinhaltet schon ein Blattformat, weil ich die "automatische Auswahl" des Blattformates bis heute nicht bewerkstelligen konnte - meine auch - Und die Vorlage wurde fest eingestellt - abweichend von der sonst üblichen Praxis - meine auch - Bekomme ich halbwegs vernünftige Ergebnisse eher mit der Projektion "dritter Winkel". - soweit bin ich noch nicht gekommen, da ja Fehlermeldung anliegt - Anfänglich hat der Mechanismus auch noch die fehlende Existenz einer Familientabelle bemäkelt, die ich daraufhin anlegte. - ich auch Trotzdem bekomme ich noch immer diese Fehlermeldung und komme nicht weiter. Grüße Andi B. ------------------ Hast du kein Problem? Such dir eins. ( Und löse es ) Eine Antwort auf diesen Beitrag verfassen (mit Zitat/Zitat des Beitrags) IP |
Andi Spieler Mitglied Mechaniker
   
 Beiträge: 1481 Registriert: 12.12.2002 SOLIDWORKS 2026SP1.1
|
erstellt am: 27. Jan. 2026 16:14 <-- editieren / zitieren --> Unities abgeben:          Nur für Andi Beck
Hi Andi, bitte teste das: Benenne die Registry um, so dass alles original ist. Computer\HKEY_CURRENT_USER\Software\SolidWorks\SOLIDWORKS 2026 Bitte auch die Original-Vorlagen verwenden: C:\ProgramData\SolidWorks\SOLIDWORKS 2026\templates\Zeichnung.DRWDOT Bei mir ist der erste Winkel auch in der von Auto Drawing erstellten Zeichnung. 3DEXPERIENCE Add-In anschalten, musst Dich nicht einloggen. Viele Grüße Andi Eine Antwort auf diesen Beitrag verfassen (mit Zitat/Zitat des Beitrags) IP |
Heiko Soehnholz Ehrenmitglied V.I.P. h.c. Dipl.-Ing. (FH) Maschinenbau

 Beiträge: 5683 Registriert: 03.07.2002 SOLIDWORKS 2001 - 2026 Elite AE Award 2023 SOLIDWORKS Premium, 3DEXPERIENCE, Simu, Flow, Plastics, Composer, MBD, Inspection, PDMP, Visualize, TopsWorks, Bechtle Tools, JobBox, MacroSheet, etc. Passungstabelle von Heinz WIN11 25H2 | HP ZBook 17 Fury G8
|
erstellt am: 27. Jan. 2026 16:54 <-- editieren / zitieren --> Unities abgeben:          Nur für Andi Beck
Zitat:
Bei mir ist der erste Winkel auch in der von Auto Drawing erstellten Zeichnung.
Hi Andi S., Andi B. auch wenn ich den ersten Winkel in meiner Vorlage eingestellt habe, möchte die automatische Zeichnungserstellung dies gerne ignorieren... Oder macht komplett Kuddelmuddel. Wenn ich genau darüber nachdenke, habe ich in meiner "Spezial"-Vorlage nicht nur ein Blattformat drin, sondern auch schon eine Revisionstabelle - du auch? ------------------ Einen schönen Gruß von Heiko Eine Antwort auf diesen Beitrag verfassen (mit Zitat/Zitat des Beitrags) IP |
Andi Beck Ehrenmitglied V.I.P. h.c. Konstrukteur

 Beiträge: 2700 Registriert: 02.10.2006 Firma: SW 2024-5.0 + PDM Prof. Windows 11 Pro 64bit, i9-11900 32 GbRAM, Quadro P2200 Home: SW 2026-1.1 Passungstabelle von Heinz Windows 11 Pro 64bit, i7-12700K, 32 GbRAM, GeForce GTX 1050Ti Samsung C34H892, 3440x1440 Pixel
|
erstellt am: 27. Jan. 2026 22:06 <-- editieren / zitieren --> Unities abgeben:         
Zitat: Original erstellt von Heiko Soehnholz:
Wenn ich genau darüber nachdenke, habe ich in meiner "Spezial"-Vorlage nicht nur ein Blattformat drin, sondern auch schon eine Revisionstabelle - du auch?
Ja Heiko, ist bei mir auch drinnen. Grüße Andi B. ------------------ Hast du kein Problem? Such dir eins. ( Und löse es ) Eine Antwort auf diesen Beitrag verfassen (mit Zitat/Zitat des Beitrags) IP |
Andi Beck Ehrenmitglied V.I.P. h.c. Konstrukteur

 Beiträge: 2700 Registriert: 02.10.2006 Firma: SW 2024-5.0 + PDM Prof. Windows 11 Pro 64bit, i9-11900 32 GbRAM, Quadro P2200 Home: SW 2026-1.1 Passungstabelle von Heinz Windows 11 Pro 64bit, i7-12700K, 32 GbRAM, GeForce GTX 1050Ti Samsung C34H892, 3440x1440 Pixel
|
erstellt am: 27. Jan. 2026 22:06 <-- editieren / zitieren --> Unities abgeben:         
Zitat: Original erstellt von Andi Spieler:
Benenne die Registry um, so dass alles original ist. Computer\HKEY_CURRENT_USER\Software\SolidWorks\SOLIDWORKS 2026
Ich bin etwas irritiert, ist nicht das erste Mal, dass ich dieses mache. Es wird in der Registry ein neuer Ordner angelegt, wie erwartet, jedoch sieht es beim Öffnen von SW wie neu aus, aber nach dem Öffnen ist es wie von mir eingestellt. Meine Menüleisten von mir und meine Einstellungen in den Dateipositionen sind wieder da. Also kein Blanko-SW. Des Weiteren habe ich keine originalen Dateien wie die Zeichnung.DRWDOT in diesem bestimmten Pfad. Nur bei SW-2021 finde ich diese. Nicht bei SW-2022 bis SW-2026, komisch. Ich kann auch nirgends auf dem Rechner bei ProgrammData oder Program Files welche finden. In meinem Tresor habe ich eine von SW-2024 gefunden, und diese nach 2026\templates verschoben. Alles hat bisher nicht geholfen, um diese Fehlermeldung zu vermeiden. Ich muss wohl mal SW2026 neu installieren, und dabei keine Einstellungen übernehmen. Grüße Andi B. ------------------ Hast du kein Problem? Such dir eins. ( Und löse es ) [Diese Nachricht wurde von Andi Beck am 27. Jan. 2026 editiert.] Eine Antwort auf diesen Beitrag verfassen (mit Zitat/Zitat des Beitrags) IP |
Andi Beck Ehrenmitglied V.I.P. h.c. Konstrukteur

 Beiträge: 2700 Registriert: 02.10.2006 Firma: SW 2024-5.0 + PDM Prof. Windows 11 Pro 64bit, i9-11900 32 GbRAM, Quadro P2200 Home: SW 2026-1.1 Passungstabelle von Heinz Windows 11 Pro 64bit, i7-12700K, 32 GbRAM, GeForce GTX 1050Ti Samsung C34H892, 3440x1440 Pixel
|
erstellt am: 27. Jan. 2026 22:57 <-- editieren / zitieren --> Unities abgeben:         
Jetzt hat es funktioniert. Ich habe meine 3 zusätzlichen Pfade, die auf den Tresor verweisen, gelöscht, sodass nur noch die Originalpfade übrig blieben. Vorlagen für Versionstabellen, Stücklisten und Familientabellenvorlagen
C:\SW-PDM\Vorlagen\Tabellen Die erste Zeichnung eines Einzelteiles wurde erzeugt. Grüße Andi B.
------------------ Hast du kein Problem? Such dir eins. ( Und löse es ) Eine Antwort auf diesen Beitrag verfassen (mit Zitat/Zitat des Beitrags) IP |
Heiko Soehnholz Ehrenmitglied V.I.P. h.c. Dipl.-Ing. (FH) Maschinenbau

 Beiträge: 5683 Registriert: 03.07.2002 SOLIDWORKS 2001 - 2026 Elite AE Award 2023 SOLIDWORKS Premium, 3DEXPERIENCE, Simu, Flow, Plastics, Composer, MBD, Inspection, PDMP, Visualize, TopsWorks, Bechtle Tools, JobBox, MacroSheet, etc. Passungstabelle von Heinz WIN11 25H2 | HP ZBook 17 Fury G8
|
erstellt am: 28. Jan. 2026 08:14 <-- editieren / zitieren --> Unities abgeben:          Nur für Andi Beck
Zitat:
Die erste Zeichnung eines Einzelteiles wurde erzeugt.
Moin, schön. Und wie ist das Ergebnis so? Vor allem interessiert mich: Wurde 1ster Winkel oder 3ter Winkel bei der Projektion verwendet? Und: Automatische Wahl des Blattformats? ------------------ Einen schönen Gruß von Heiko [Diese Nachricht wurde von Heiko Soehnholz am 28. Jan. 2026 editiert.] Eine Antwort auf diesen Beitrag verfassen (mit Zitat/Zitat des Beitrags) IP |
Andi Spieler Mitglied Mechaniker
   
 Beiträge: 1481 Registriert: 12.12.2002 SOLIDWORKS 2026SP1.1
|
erstellt am: 28. Jan. 2026 09:26 <-- editieren / zitieren --> Unities abgeben:          Nur für Andi Beck
Moin Heiko, bei mir wird die Standard-Vorlage für die Zeichnung genommen. Eine Revisionstabelle wird automatisch eingefügt. Erster Winkel ist wie im Template. AndiB: Glückwunsch zur AutoDrawing VG Andi Eine Antwort auf diesen Beitrag verfassen (mit Zitat/Zitat des Beitrags) IP |
Heiko Soehnholz Ehrenmitglied V.I.P. h.c. Dipl.-Ing. (FH) Maschinenbau

 Beiträge: 5683 Registriert: 03.07.2002 SOLIDWORKS 2001 - 2026 Elite AE Award 2023 SOLIDWORKS Premium, 3DEXPERIENCE, Simu, Flow, Plastics, Composer, MBD, Inspection, PDMP, Visualize, TopsWorks, Bechtle Tools, JobBox, MacroSheet, etc. Passungstabelle von Heinz WIN11 25H2 | HP ZBook 17 Fury G8
|
erstellt am: 28. Jan. 2026 10:25 <-- editieren / zitieren --> Unities abgeben:          Nur für Andi Beck
Zitat:
Erster Winkel ist wie im Template.
Moin Andi(s), Ja, ist eingestellt, wird aber nicht angewendet, wie man sehen kann. Schade - aber das wird bestimmt noch. ------------------ Einen schönen Gruß von Heiko
[Diese Nachricht wurde von Heiko Soehnholz am 28. Jan. 2026 editiert.] Eine Antwort auf diesen Beitrag verfassen (mit Zitat/Zitat des Beitrags) IP |
Andi Beck Ehrenmitglied V.I.P. h.c. Konstrukteur

 Beiträge: 2700 Registriert: 02.10.2006 Firma: SW 2024-5.0 + PDM Prof. Windows 11 Pro 64bit, i9-11900 32 GbRAM, Quadro P2200 Home: SW 2026-1.1 Passungstabelle von Heinz Windows 11 Pro 64bit, i7-12700K, 32 GbRAM, GeForce GTX 1050Ti Samsung C34H892, 3440x1440 Pixel
|
erstellt am: 28. Jan. 2026 17:03 <-- editieren / zitieren --> Unities abgeben:         
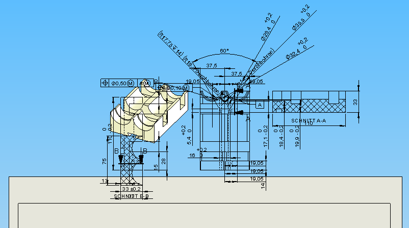
Hallo, und Ernüchterung kehrt ein.... (war gestern Abend etwas spät) Heute geht keine automatische Zeichnungsableitung mehr. Keine Fehlermeldung oder so, nach dem Aufrufen des Befehls kommt das entsprechende Feature-Fenster und nach Bestätigen des grünen Hakens passiert nichts mehr. Bei Einzelteil wie bei Baugruppe. Die Zeichnungen wurden doch erstellt, aber nicht geöffnet, sondern nur gespeichert. (Zu viele unnötige Ansichten)
Die Zeichnung von gestern kann ich noch aufmachen. Schaut euch die Bilder an. Folgende Bemerkungen: - Es wird meine Vorlage A4-Quer verwendet, welche als Standardvorlage hinterlegt ist. - Darin ist Erster Winkel eingestellt, aber Dritter Winkel abgebildet - Die Ansichten liegen übereinander und außerhalb der Vorlage - Es werden 3 Ansichten + 2 Schnitte + 1 ISO-Ansicht erzeugt - Meine Zeichnung hat 2 Ansichten + 1 ISO-Ansicht - Die vielen Ansichten passen nicht auf das A4-Blatt - Es fehlen Mittellinien und Mittelkreuze - Maße werden aus dem Modell einfach übernommen, was nicht immer sinnvoll ist - Es gibt Doppelbemaßungen und andere Maße bzw. Toleranzen fehlen - 1 Schnitt ungünstig gewählt - Die Familientabelle kann ich gleich löschen - Keine Oberflächenangaben oder Rautiefen Fazit: Es ist noch Luft nach Oben..... Grüße Andi B. ------------------ Hast du kein Problem? Such dir eins. ( Und löse es )
[Diese Nachricht wurde von Andi Beck am 28. Jan. 2026 editiert.] Eine Antwort auf diesen Beitrag verfassen (mit Zitat/Zitat des Beitrags) IP |
Andi Beck Ehrenmitglied V.I.P. h.c. Konstrukteur

 Beiträge: 2700 Registriert: 02.10.2006 Firma: SW 2024-5.0 + PDM Prof. Windows 11 Pro 64bit, i9-11900 32 GbRAM, Quadro P2200 Home: SW 2026-1.1 Passungstabelle von Heinz Windows 11 Pro 64bit, i7-12700K, 32 GbRAM, GeForce GTX 1050Ti Samsung C34H892, 3440x1440 Pixel
|
erstellt am: 28. Jan. 2026 17:38 <-- editieren / zitieren --> Unities abgeben:         
Ergänzung: Jetzt habe ich mal die SW-Vorlage als Standardvorlage eingestellt. Mit dieser Vorlage hat mir SW 1x eine A2 und 1x eine A3 Zeichnung erstellt, also angepasst. Die Ansichten wurden hier gut auf der Zeichnung platziert. Die Zeichnungen haben den Dritten Winkel hinterlegt. Ciao ------------------ Hast du kein Problem? Such dir eins. ( Und löse es ) Eine Antwort auf diesen Beitrag verfassen (mit Zitat/Zitat des Beitrags) IP |
Heiko Soehnholz Ehrenmitglied V.I.P. h.c. Dipl.-Ing. (FH) Maschinenbau

 Beiträge: 5683 Registriert: 03.07.2002 SOLIDWORKS 2001 - 2026 Elite AE Award 2023 SOLIDWORKS Premium, 3DEXPERIENCE, Simu, Flow, Plastics, Composer, MBD, Inspection, PDMP, Visualize, TopsWorks, Bechtle Tools, JobBox, MacroSheet, etc. Passungstabelle von Heinz WIN11 25H2 | HP ZBook 17 Fury G8
|
erstellt am: 29. Jan. 2026 12:59 <-- editieren / zitieren --> Unities abgeben:          Nur für Andi Beck
|
AnteCad357 Mitglied

 Beiträge: 29 Registriert: 04.03.2024
|
erstellt am: 08. Feb. 2026 13:25 <-- editieren / zitieren --> Unities abgeben:          Nur für Andi Beck
Hallo, da wir immer noch SW 2024 verwenden, würde mich interessieren, wie das beim Erstellen von Zeichnungen funktioniert. Kann jemand ein Video hochladen? Ich erstelle seit zwei Jahren Zeichnungen mit einem Makro. Hier können Sie sehen, wie das funktioniert. https://youtu.be/TW6CyL2Dnw8 Ich habe das Video mit Hilfe von KI erstellt, daher ist es nicht sehr gut synchronisiert. Ich habe keine Zeit, bessere Videos zu machen. Gruß
Eine Antwort auf diesen Beitrag verfassen (mit Zitat/Zitat des Beitrags) IP |
R3vo Mitglied staatl. gepr. Techniker, Konstrukteur
 
 Beiträge: 171 Registriert: 03.11.2021 CAD: SOLIDWORKS 2024 SP5.0 PDM: SpeedyPDM 7.5.7 ------------------------ CPU: Intel Core i7-10700 @ 2.90GHz GPU: NVIDIA Quadro RTX4000 RAM: 64 GB Datenträger: SSD Windows 11 23H2 22631.4460 Windows Feature Experience Pack 1000.22700.1047.0
|
erstellt am: 31. Mrz. 2026 14:01 <-- editieren / zitieren --> Unities abgeben:          Nur für Andi Beck
Ich habe jetzt testweise auch Version 26 installiert. Leider muss ich sagen das ich nicht sehe das mir die KI erstellten Zeichnungen einen Mehrwert bringen. 1. Der Maßstab wird nicht korrekt gewählt (Ansichten viel zu klein) 2. Es werden unnötig viele Schnitte gemacht 3. Es werden Form- und Lagetoleranzen halluziniert (Es gibt im 3D-Modell dazu keine Angaben) 4. Grundlegende Maße fehlen (Wie kann es sein das an einem einfachen Drehteil das mit einem Rotationsfeature erstellt ist, Durchmesser und Längenmaße fehlen?) Eine Antwort auf diesen Beitrag verfassen (mit Zitat/Zitat des Beitrags) IP |
Heiko Soehnholz Ehrenmitglied V.I.P. h.c. Dipl.-Ing. (FH) Maschinenbau

 Beiträge: 5683 Registriert: 03.07.2002 SOLIDWORKS 2001 - 2026 Elite AE Award 2023 SOLIDWORKS Premium, 3DEXPERIENCE, Simu, Flow, Plastics, Composer, MBD, Inspection, PDMP, Visualize, TopsWorks, Bechtle Tools, JobBox, MacroSheet, etc. Passungstabelle von Heinz WIN11 25H2 | HP ZBook 17 Fury G8
|
erstellt am: 31. Mrz. 2026 14:09 <-- editieren / zitieren --> Unities abgeben:          Nur für Andi Beck
Ich hatte ja vorgewarnt: Zitat:
Es ist halt alles noch beta und bei weitem nicht fertig. Aber immerhin gibt es da einen tollen Mechanismus, an dem gearbeitet wird, der immer bessere Ergebnisse liefert. Und irgendwann dann auch verwendbare...
Aber es wird weiter fleißig daran gearbeitet und bei jedem SP/FD werden Verbesserungen und Neuerungen kommen.
------------------ Einen schönen Gruß von Heiko Eine Antwort auf diesen Beitrag verfassen (mit Zitat/Zitat des Beitrags) IP |
R3vo Mitglied staatl. gepr. Techniker, Konstrukteur
 
 Beiträge: 171 Registriert: 03.11.2021 CAD: SOLIDWORKS 2024 SP5.0 PDM: SpeedyPDM 7.5.7 ------------------------ CPU: Intel Core i7-10700 @ 2.90GHz GPU: NVIDIA Quadro RTX4000 RAM: 64 GB Datenträger: SSD Windows 11 23H2 22631.4460 Windows Feature Experience Pack 1000.22700.1047.0
|
erstellt am: 31. Mrz. 2026 14:22 <-- editieren / zitieren --> Unities abgeben:          Nur für Andi Beck
Dann will ich mal auf das oben angekündigte FD/SP warten. Edit: Gibt es denn Infos darüber ob gewisse Dokumenteinstellungen Einfluss auf die Funktion haben? z.B. welche Bemaßungen etc. bei Ansichtserstellung importiert werden? [Diese Nachricht wurde von R3vo am 31. Mrz. 2026 editiert.] Eine Antwort auf diesen Beitrag verfassen (mit Zitat/Zitat des Beitrags) IP |
Heiko Soehnholz Ehrenmitglied V.I.P. h.c. Dipl.-Ing. (FH) Maschinenbau

 Beiträge: 5683 Registriert: 03.07.2002 SOLIDWORKS 2001 - 2026 Elite AE Award 2023 SOLIDWORKS Premium, 3DEXPERIENCE, Simu, Flow, Plastics, Composer, MBD, Inspection, PDMP, Visualize, TopsWorks, Bechtle Tools, JobBox, MacroSheet, etc. Passungstabelle von Heinz WIN11 25H2 | HP ZBook 17 Fury G8
|
erstellt am: 31. Mrz. 2026 15:06 <-- editieren / zitieren --> Unities abgeben:          Nur für Andi Beck
|
| Anzeige.:
Anzeige: (Infos zum Werbeplatz >>)
 |